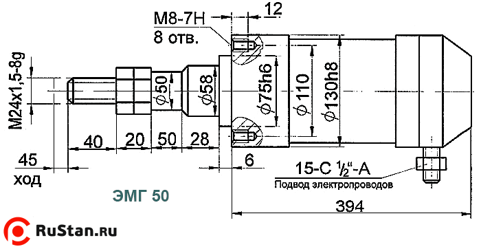
Электромеханическая головка ЭМГ-50
138 237 руб.
с НДС - на 24.02.2026 г.
| Модель: | ![]() |
ЭМГ-50 |
| Артикул: | ![]() |
02057 |
| Производитель: | Белоруссия |
|
| Изготовитель: | ![]() |
Белоруссия |
Электромеханическая головка ЭМГ-50 предназначена для механизированного зажима инструмента в шпинделях фрезерных, расточных и других станков, привода кулачков токарных патронов, перемещения пинолей задних бабок. Головки могут встраиваться как во вновь создаваемое оборудование, так и при модернизации действующих станков.
Предусмотрено четыре исполнения головок:
- ЭМГ 50 — вращающаяся с тянущим выходом;
- ЭМГ 51 — стационарная с вращательным выходом;
- ЭМГ 52 — вращающаяся с вращательным выходом;
- ЭМГ 53 — стационарная с вращательным выходом.
Головки ЭМГ 50 и ЭМГ 52 устанавливаются непосредственно на шпинделе станка посредством переходного фланца и вращаются вместе с ним. Подвод электроэнергии осуществляется с помощью щеток.
Максимальная скорость вращения шпинделя станка 3200 мин-1. Указанные головки отбалансированы динамически. Максимальный дисбаланс 80 г×см. Головки ЭМГ 51 и ЭМГ 53 являются стационарным вариантом головки ЭМГ 52.
Технические характеристики ЭМГ-50 | |
|---|---|
| Характеристика | Значение |
| Тяговое усилие (регулируемое), кН | 15-45 |
| Скорость продольного хода штока (расчетная), мм/мин | |
| - При частоте тока 50 Гц | 375 |
| - При частоте тока 60 Гц | 450 |
| Ход штока, не менее, мм | 35 |
| Частота включений в минуту, не более | 2 |
Комментарии и вопросы:
Комментариев пока нет, но ваш может быть первым.Разметить комментарий или вопрос



